1、前言
鈦合金具有比強度高、高溫性能好和抗腐蝕等優點,因而在航空、艦艇、化工等領域得到日益廣泛的應用。近年來,隨著航空航天技術的不斷發展,對航空發動機的推重比及飛機的機動性能提出了更高的要求,作為發動機壓氣機轉子和葉片重要候選材料的高溫鈦合金更是越來越受到人們的重視[1-2]。
目前,高溫鈦合金的開發主要集中在 Ti-Al-Sn-Zr-Mo-Si近α型體系[3],較為典型的有IMI834[3],Ti-1100[4], BT36[5], 以 及 中 國 的Ti60[6]和Ti600[7]等。Ti60合金類似于英國的 IMI834合金,是我國自主研制的一種新型近α型高溫鈦合金。該合金中加入了少量的 Ta元素用來提高其蠕變性能,同時通過添加少量 C元素來擴大其熱加工窗口。眾所周知,對于鈦合金來說,通過不同的鍛造工藝可以得到不同的微觀組織,從而得到不同的力學性能。鈦合金在β單相區鍛造,得到網籃組織,這種組織具有高的斷裂韌性、好的蠕變性能及抗裂紋擴展能力;在α+β兩相區鍛造,可以得到等軸組織,這種組織具有較好的塑性和疲勞強度[8]。近β鍛造可以得到好的綜合性能。已有研究表明,對于IMI834合金來說,含有一定初生α相的雙態組織具有最好的疲勞和蠕變性能[9]。而對于Ti60合金,其鍛造工藝與組織性能之間關系的研究還是非常有限的。因此,本研究考察了3種不同鍛造工藝對Ti60合金棒材組織及性能的影響,為該合金的廣泛應用提供一定的理論基礎。
2、實驗材料與方法
實驗用原材料為寶雞鈦業股份有限公司提供的?150mmTi60合金棒材。棒材經陜西宏遠航空鍛造有限責任公司改鍛后得到 ?150mm的鍛棒,其組織為初生α相含量約 40%的等軸組織,如圖 1所示。

圖 1 Ti60合金改鍛后的等軸組織
Fig.1 EquiaxedmicrosTrucTureofTi60AlloyafTerforging
采用金相法測得其相變點為1045℃。在鍛棒上切取3段?150mm×62mm的圓柱,在3T自由鍛錘上采用3種不同的鍛造工藝進行鐓粗,即1015℃常規鍛造、1035℃近β鍛造和1070℃β鍛造,變形量為50%,鍛后立即水冷,熱處理制度為1020℃/2h,空冷 +700℃/2h,空冷。采用光學顯微鏡觀察試樣的高倍組織,采用萬能試驗機測試其力學性能。室溫和高溫拉伸試樣的工作直徑均為 ?5mm,標距有效長度為 25mm。采用 SUPRATM55型掃描電子顯微鏡觀察和分析試樣斷口形貌,探索不同的組織形貌對斷裂機制的影響。
3、結果與分析
3.1 鍛造工藝對Ti60合金棒材顯微組織的影響
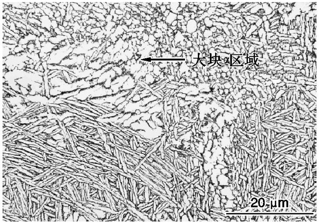
Ti60合金棒材經常規鍛造、近β鍛造和β鍛造后的顯微組織如圖 2所示。從圖中可以看出,不同的鍛造工藝對Ti60合金棒材顯微組織的形態有顯著的影響。常規鍛造獲得典型的等軸組織,由于鍛造溫度低,組織中等軸α相含量較多,約為60%,等軸α相大小不一,形態各異,鍛后水冷使二次析出的條狀α細小,取向混亂,見圖 2a。近β鍛造比常規鍛造的溫度稍高,也得到等軸組織,但等軸α相含量略微有所降低,約為 40%左右,等軸α相大小比較均勻,二次析出的條狀α較粗,條狀α集束分布沒有常規鍛造明顯,分布更加混亂,見圖 2B。β鍛造后獲得典型的網籃組織,由于高溫鍛造后采用水冷,冷卻速度較快,故α集束交織分布成網籃狀,熱處理第一次高溫退火后采用空冷,條狀α有充分的時間析出和長大,因而條狀α較寬,β晶界較明顯(見圖 2c)。此外,β鍛造后鍛件的組織很不均勻,在某些局部區域出現大塊α相,如圖 3所示。

圖 2 Ti60合金經不同工藝鍛造后的金相照片:(a)常規鍛造;(B)近β鍛造;(c)β鍛造
Fig.2 MeTAllurgicAlmicrosTrucTuresofTi60AlloyresulTingfromdifferenTforging:(a)α+βforging;(B)near-βforging;(c)βforging

圖 3 β鍛造Ti60合金中的大塊α相
Fig.3 BlockyAlphainBeTa-forgedTi60Alloy
大塊α相在鈦合金β鍛造中經常會出現,會導致合金性能惡化,因此也引起了廣大研究者的關注。
董長升等[10]認為粗大α相具有組織“遺傳性”,當原始坯料組織粗大或不均勻時,常常會引起大塊α相的產生,而這種組織即使在兩相區多火次大變形后還是很難消除。F.J.Gil等人[11]對 TC4鈦合金的研究結果表明,粗大的α條是由于冷卻速率過低造成的,提高冷卻速率可以明顯減少和避免大塊α相的出現。曾衛東等人[12]在研究冷卻速率對 TC11鈦合金β加工顯微組織的影響時也發現,熱處理后立即水冷,可避免或減少大塊α相的出現。
3.2 鍛造工藝對Ti60合金拉伸性能的影響
Ti60合金經過不同鍛造工藝的室溫及高溫拉伸性能如圖 4所示。從圖中可以看出,3種鍛造工藝的強度相差不大,其中近β鍛造和β鍛造的強度略高,但從斷面收縮率來看,α+β鍛造和近β鍛造的室溫和高溫塑性均高于β鍛造,可見,近β鍛造具有更好的強度與塑性的匹配。
Ti60合金采用不同的鍛造工藝得到不同的力學性能是由其不同組織的不同變形機理決定的。J.C.Williams認為金屬變形時的強度與塑性與滑移長度有關,滑移長度越短,強度和塑性越高[13]。等軸組織的滑移長度是由等軸組織中的初生α相決定的,等軸α相越多,晶粒越細小,滑移長度越小,產生的位錯塞積越少,因而在斷裂前能產生更大的變形而具有更高的塑性。片狀組織的滑移長度是由片狀組織的α片厚度或束域尺寸決定的,片狀組織的厚度、束域大小及β晶界對塑性變形行為的影響是不同的。由于片狀組織中α相與β相之間的滑移系和孿生系有一定的幾何關系,位錯在α晶粒中產生后沿滑移面運動,可以無阻礙地越過α/β相界,在β相中繼續運動,直到位錯運動至魏氏組織束域界或原始β相晶界處,因而斷裂前位錯塞積長度長,強度稍高而塑性急劇下降。

圖 4 Ti60合金經不同工藝鍛造的室溫(a)及高溫(B)力學性能
Fig.4 RoomTemperaTure(a)andhighTemperaTure(B)mechanicAlproperTiesofTi60AlloyresulTingfromdifferenTforging
3.3 鍛造工藝對斷口形貌的影響
圖 5為 3種不同鍛造工藝條件下室溫拉伸試樣SEM斷口形貌。從宏觀照片可見,常規鍛造和近β鍛造的斷口粗糙不平,有明顯的中心纖維區、放射區和邊緣與拉伸軸線約成 45°方向的剪切唇區。放射區斷口表面比較光亮平坦,放射花樣呈發散狀且收斂于中心,說明裂紋起源于試樣的中心部位(圖 5a,B)。β鍛造的試樣斷口比較平坦(圖 5c),也存在 3個區,但沒有前兩種工藝明顯。從斷口微觀形貌來看,常規鍛造的試樣能夠觀察到大量的蜂窩狀形貌,且斷口上有大量的撕裂棱,說明該試樣為韌性斷裂,這與其室溫拉伸塑性較好是一致的(圖 5d)。近β鍛造的試樣斷口上有大量的韌窩花樣,韌窩大小、深度不一,且大多為等軸狀(圖 5e),屬微孔聚集型斷裂。這種斷口的試樣塑性較好。β鍛造的試樣微觀斷口可以觀察到韌窩形貌,同時也有大量的解理小平面,是韌窩 +準解理的混合型斷口(圖 5f),因而塑性最差。

圖 5 室溫拉伸試樣斷口電鏡掃描照片:(a,d)常規鍛造;(B,e)近β鍛造;(c,f)β鍛造
Fig.5 SEM fracTographsofTenSilesamplesaTroomTemperaTure:(a,d)α+βforging;(B,e)near-βforging;(c,f)βforging
4、結論
(1)Ti60合金經常規鍛造后,組織中約含 60%的等軸α相,二次析出的條狀α細小,取向較混亂,為典型的等軸組織;近β鍛造獲得的初生α相含量比常規鍛造的少,組織較均勻;β鍛造組織為典型的網籃組織,局部有大塊α相出現。
(2)3種鍛造方式獲得的試樣強度相差不大,其中近β鍛造和β鍛造的強度略高,而常規鍛造和近β鍛造的室溫和高溫塑性均高于β鍛造。近β鍛造具有較好的強度與塑性的匹配。
(3)3種鍛造方式的室溫拉伸斷口均由纖維區、放射區和剪切唇區 3個部分組成。常規鍛造與近β鍛造的試樣斷口均為韌窩型斷裂,其中近β鍛造中的韌窩更深,大小更均勻。β鍛造的試樣為韌窩 +準解理的混合型斷口。
參考文獻
[1]陶春虎,劉慶瑔,曹春曉,等 .航空用鈦合金的失效及其預防[M].北京:國防工業出版社,2002:11-13.
[2]趙永慶 .高溫鈦合金研究[J].鈦工業進展,2001,18(1):33-39.
[3]BlenkinsopP A. DevelopmenTinhighTemperaTureAlloys[C]//LüTjeringG,ZwickerU,BunkW.5ThWorldCon-ferenceonTiTanium.OBerursel:DeuTscheGesellschafTfurMeTAllkunde,1984:2323-2332.
[4]BaniaPJ.Ti-1100:AnewhighTemperaTureTiTaniumAlloy[C]//LacomBeP,TricoTR,BérangerG.SixThWorldCon-ferenceonTiTanium.Paris:EdiTionsdephySigue,1988:825-830.
[5]TeTyukhinV,LevinI.HeaTreSisTanTTiTaniumAlloyswiThen-hanced,heaTreSisTance,ThermAlsTaBiliTy[C]//8ThWorldConferenceonTiTanium.BrIMIngham,UK:CamBridgeUni- verSiTyPress,1996:2430-2437.
[6]張尚洲,徐惠忠,劉子全 .碳含量對 Ti-60合金時效過程中硅化物的影響[J].材料研究學報,2005,19(5):499-505.
[7]洪權,戚運蓮,趙永慶,等 .加工工藝對Ti600合金板材組織性能的影響 [J].稀有金屬 材料與工 程,2005,34(8):1334-1337.
[8]萊茵斯 C,皮特爾斯 M.鈦與鈦合金[M].陳振華,譯 .北京:化學工業出版社,2005:343.
[9]WanjaraP,JahaziM,MonajaTiH,eTAl.HoTworkingBehav-iorofnear-αAlloyIMI834[J].MaTeriAlsScienceandEngi-neeringA,2005,396:50-60.
[10]董長升,李渭清,蔡建明 .精鍛及熱處理工藝對 TC11鈦合金棒材顯微組織的影響[J].稀有金屬,2004,28(1):286-288.
[11]GilFJ,GineBraM P,ManeroJM,eTAl.FormaTionofAl-pha-widmansTaTTensTrucTure:effecTsofgrainSizeandcool-ingraTeonThewidmansTaTTenMorphologiesandonTheme-chanicAlproperTieSinTi6Al4VAlloy[J].JournAlofAlloysandCompounds,2001,329(1/2):142-152.
[12]曾衛東,周義剛.冷速對 TC11合金β加工顯微組織和力學性能的影響[J].金屬學報,2002,38(12):1273-1276.
[13]WilliamsJC,LueTjeringG.TheeffecTofsliplengThandslipcharacTeronTheproperTiesofTiTanium Alloys//KimmaU,IzumiO.TiTanium’80ScienceandTechnology.KyoTo:MeTAllurgicAlSecieTyofAIME,1980:671-681.
相關鏈接
- 2024-04-07 熱處理對航空發動機用Ti60鈦合金棒材組織及性能的影響
- 2024-03-19 退火溫度對TA15鈦合金棒顯微組織和力學性能的影響
- 2024-03-14 不同熱處理溫度對TA15鈦合金棒材組織和力學性能的影響
- 2024-02-29 航空用Ti60鈦合金棒的顯微組織與拉伸性能分析
- 2024-02-14 固溶冷卻方式對Ti60鈦合金大規格棒材組織和力學性能的影響
- 2024-02-09 熱暴露對激光沉積Ti60A高溫鈦合金組織性能影響
- 2024-02-05 航空用高強高塑超大規格TB15鈦合金棒材組織與拉伸性能研究
- 2024-02-04 航空發動機用Ti60高溫鈦合金棒材的超塑性拉伸行為及組織演變
- 2024-02-02 冷卻方式對航空航天領域用TA15鈦合金棒組織與力學性能關系的影響
- 2024-01-29 潛艇艦船用Ti80鈦合金棒材黑斑缺陷分析

